Effect of Vertical Variability of Soil Parameters on Tunnelling-Induced Vertical Responses of Adjacent Pile Foundations

WANG Hui-min, WANG Yao, LI Qing-wen, ZHANG Jing

Journal of Changjiang River Scientific Research Institute ›› 2025, Vol. 42 ›› Issue (9) : 139-146.

PDF(6324 KB)
PDF(6324 KB)
Journal of Changjiang River Scientific Research Institute ›› 2025, Vol. 42 ›› Issue (9) : 139-146. DOI: 10.11988/ckyyb.20240798
Rock Soil Engineering

Effect of Vertical Variability of Soil Parameters on Tunnelling-Induced Vertical Responses of Adjacent Pile Foundations

Author information +
History +

Abstract

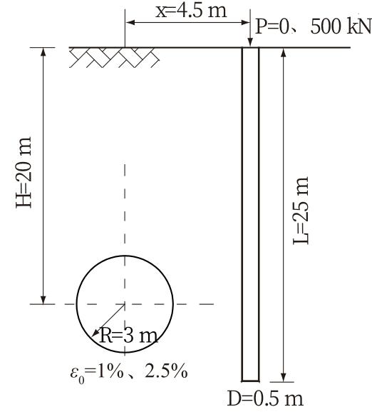
[Objective] Accurate prediction of tunnelling-induced vertical responses in pile foundations remains a critical challenge in urban underground construction. Traditional deterministic analyses of the complex tunnel-soil-pile interactions often assume homogeneous soil properties, neglecting the inherent spatial variability of soil properties. Such simplifications may result in underestimating or misrepresenting pile responses. To bridge this gap, the primary objective of this study is to develop and implement a sophisticated probabilistic model capturing the vertical spatial variability of soil properties. This model aims to facilitate a comprehensive stochastic analysis and provide more realistic and reliable predictions of pile behavior due to adjacent shield tunnel excavation. [Methods] The core deterministic framework employed a well-established two-stage analytical procedure: first, tunnelling-induced free-field ground movements were modeled using the Loganathan-Poulos solution, which accounted for volume loss and tunnel geometry effects on surrounding soils; second, pile foundation responses to these soil displacements were evaluated through Load Transfer Analysis to calculate pile head settlements and axial force distributions along the pile shaft. Undrained shear strength was modeled as a random field to account for the vertical spatial variability. The two-stage deterministic procedure and the vertical random field model for undrained shear strength were integrated within an automated Monte-Carlo simulation framework, which constituted the developed stochastic Two-Stage Analysis model. After a sufficiently large number of iterations, the recorded pile responses were statistically analyzed, yielding the probability distributions, mean values, and standard deviations for the pile head additional settlement and the maximum additional axial force along the pile shaft. [Results] Both the coefficient of variation and the correlation length of the undrained shear strength exerted a significant influence on the statistical moments of the pile responses. An increase in the coefficient of variation generally led to higher mean values of pile head additional settlement and the mean maximum additional axial force. The correlation length caused significant variations in both the mean and, particularly, the standard deviations of pile settlements and axial forces compared to the homogeneous case. The probability of pile head additional settlement exceeding a critical serviceability limit state showed a strong dependence on the vertical spatial variability of soil strength. As the overall variability increased, the computed probability of settlement failure rose significantly. The detrimental impact of soil spatial variability on pile reliability amplified by higher levels of deterministic loading factors. Increased ground deformation caused by larger tunnel volume loss intensified the negative effects of soil variability. In addition, existing structural loads applied to the pile head further magnified the sensitivity of pile responses and the associated failure probability to the underlying soil uncertainty. Essentially, the combined loading conditions made the pile foundation more vulnerable to the adverse consequences of spatially variable soil properties. [Conclusion] (1) The proposed stochastic two-stage model successfully bridges the gap between conventional analytical methods and real-world soil heterogeneity. (2) The developed Monte-Carlo automation program can provide practical guidelines for prioritizing vertical variability characterization in geotechnical investigations and for adopting probabilistic design methods instead of conventional safety factors. (3) The current model neglects horizontal soil variability and construction disturbances. Future work should integrate 3D random fields with machine learning techniques for enhanced prediction.

Key words

tunnel excavation / pile foundation / two-stage analysis method / soil vertical variability / random field modeling

Cite this article

Download Citations
WANG Hui-min , WANG Yao , LI Qing-wen , et al. Effect of Vertical Variability of Soil Parameters on Tunnelling-Induced Vertical Responses of Adjacent Pile Foundations[J]. Journal of Changjiang River Scientific Research Institute. 2025, 42(9): 139-146 https://doi.org/10.11988/ckyyb.20240798

References

[1]
李健斌, 陈健. 考虑参数空间变异性的盾构隧道施工地层变形综合可靠度分析[J]. raybet体育在线 院报, 2020, 37(6): 127-133.
Abstract
依托厦门地区典型风化花岗岩地层的盾构隧道工程,针对多层土双线盾构隧道施工地层变形问题,以岩土体参数的空间变异性为切入点,基于随机场理论,采用蒙特卡洛法与有限差分法模拟计算相结合的方法,开展盾构隧道施工地层变形响应的可靠度分析。以土体弹性模量E的空间变异性为研究重点,系统研究土体弹性模量的竖向、水平波动距离(θ<sub>z</sub>,θ<sub>x</sub>)对地层变形可靠度指标的影响。结果表明:随机分析所得最大地层变形(地表沉降、拱顶沉降、围岩收敛)的可靠度指标随着土体弹性模量波动距离的增大而降低;随着最大地层变形允许值的增大,地层变形可靠度指标也相应提高。在此基础上,借助熵理论客观确定各地层变形指标(地表沉降、拱顶沉降、围岩收敛)的权重系数,结合可靠度设计方法和工程风险分析理论,开展地层变形综合可靠度分析及控制指标体系的研究,提出适合厦门地区的盾构隧道施工地层变形控制指标体系。
(LI Jian-bin, CHEN Jian. Comprehensive Reliability Analysis of Deformation Induced by Shield Tunneling Considering Spatial Variability of Soil Parameters[J]. Journal of Yangtze River Scientific Research Institute, 2020, 37(6): 127-133. (in Chinese))
Stochastic calculations, by combining the random field theory with the finite difference analysis and Monte Carlo simulation, are used to conduct reliability analysis on the surrounding soil deformation induced by twin tunneling in multi-layer soils considering the spatial variability of soil parameters. The effects of scales of fluctuation (SOF) of Young’s modulus in both vertical and horizontal directions on deformation reliability index are investigated and discussed in detail. Results demonstrate that the reliability index of maximum deformation (surface settlement, vault settlement, and surrounding rock convergence) obtained by stochastic analysis decreases with the increase of SOF, and the comprehensive reliability index of deformation increases with the increase of allowable value of deformation. Additionally, the entropy weight coefficients of deformation indices are objectively determined by using the entropy theory. Combining the reliability design method and the engineering risk analysis theory, the comprehensive reliability of deformation is analyzed, and the deformation control index system of shield tunnel suitable for Xiamen area is put forward.
[2]
方焘, 梁连, 颜建伟. 不同埋深下盾构隧道施工引起的地层变形试验[J]. raybet体育在线 院报, 2023, 40(3): 85-92.
Abstract
隧道施工诱发的地层沉降会影响地上建筑设施的安全,为了研究不同埋深隧道盾构施工影响下砂土地层的变形规律,设计了由模型架和非接触监测系统组成的模型试验系统。利用该系统,以干砂为填料,通过使隧道产生沉降来模拟施工影响下的地层损失,进而得出不同埋深情况下地层的变形规律。试验结果表明:①随着隧道埋深的增大,地层内部产生“土拱效应”,地表最大沉降值逐渐减小,地表沉降模式由“窄而深”演化为 “宽而浅”,但地层受扰动范围自隧道中轴线向两侧逐渐扩大;②不同埋深情况下,地表和地层内部的沉降曲线均符合高斯分布函数。地表沉降槽宽度系数随隧道埋深的增大而增大,深层土体沉降槽宽度系数随地层深度增加而减小;③不仅对于黏土,在砂土中深层土体沉降槽宽度系数i<sub>z</sub>与地表沉降槽宽度系数i<sub>s</sub>之比i<sub>z</sub>/i<sub>s</sub>同该土层深度h<sub>z</sub>与隧道埋深h的关系(1-h<sub>z</sub>/h)之间同样呈线性关系。因此,在浅埋的砂性及黏土地层中根据地表沉降规律即可得出地层内部沉降规律,从而为隧道的施工和支护结构的设计提供参考和指导。
(FANG Tao, LIANG Lian, YAN Jian-wei. Experimental Study on Stratum Deformation Caused by Shield Tunnelling at Different Buried Depths[J]. Journal of Changjiang River Scientific Research Institute, 2023, 40(3): 85-92. (in Chinese))
[3]
路德春, 丁超, 林庆涛, 等. 盾构隧道开挖对邻近桩基三维影响试验研究[J]. 防灾减灾工程学报, 2022, 42(4): 732-741.
(LU De-chun, DING Chao, LIN Qing-tao, et al. Experimental Study on Three-dimensional Effects of Shield Tunnel Excavation on Adjacent Pile[J]. Journal of Disaster Prevention and Mitigation Engineering, 2022, 42(4): 732-741. (in Chinese))
[4]
张运强, 曹文贵, 周苏华. 盾构隧道施工对邻近建筑物破坏风险初步评估[J]. raybet体育在线 院报, 2021, 38(2):119-124,130.
Abstract
隧道开挖会引起地表和深层土体沉降,研究地层移动规律对于确定建筑物风险等级和保护邻近建筑物具有重要意义。首先,基于Peck公式并考虑深层土体横向沉降槽引起建筑物的沉降和倾斜,得到了建筑物风险区计算模型;然后,通过改变参数,分析了隧道直径D、基础埋深d以及地层损失率V<sub>L</sub>等对建筑物风险区大小的影响规律,推导得到了风险区的边界值(C/D)<sub>0</sub>和(x/D)<sub>0</sub>。最后,根据不同风险控制等级,提出了隧道开挖对邻近建筑物风险的初步评估方法,并将风险区划分为4个部分。研究结果表明:所提风险区划分方法仅需隧道直径D、地层损失率值V<sub>L</sub>、隧道埋深Z以及沉降槽宽度系数i即可实现,具有简单、高效等特点,且能够反映不同参数对风险区变化的影响。研究结果可为隧道开挖对邻近建筑物安全影响初步判断和风险预估提供参考。
(ZHANG Yun-qiang, CAO Wen-gui, ZHOU Su-hua. Preliminary Risk Assessment of Shield Tunnelling-incluced Damage to Adjacent Buildings[J]. Journal of Yangtze River Scientific Research Institute, 2021, 38(2):119-124,130. (in Chinese))
Tunnel excavation will cause surface and subsurface settlement. Studying the law of formation movement is of great significance to determine the risk level of buildings and protect adjacent buildings.Firstly,the calculation model of risk zone is obtained based on Peck's formula considering the settlement and inclination of buildings caused by subsurface settlement trough. Secondly, the influence rules of tunnel diameter <i>D</i>, foundation depth <i>d</i> and ground loss ratio <i>V</i><sub>L</sub> on the size of the building risk zone are analyzed, and the boundary values (<i>C/D</i>)<sub>0</sub> and (<i>x/D</i>)<sub>0</sub> of risk zone are deduced. Finally, according to different risk control levels, a preliminary risk assessment method for adjacent buildings during tunnel excavation is proposed, and the risk zone is divided into four zones. The risk zoning method proposed in this paper is simple and highly-efficient as only four parameters are needed: tunnel diameter <i>D</i>, ground loss ratio <i>V</i><sub>L</sub>, tunnel's buried depth <i>Z</i> and coefficient <i>i</i> of settlement trough width. The method also reflects the influence of different parameters on the change of risk zone. The research findings provide reference for preliminary judgment and risk prediction of the impact of tunnel excavation on adjacent buildings' safety.
[5]
熊巨华, 王远, 刘侃, 等. 隧道开挖对邻近单桩竖向受力特性影响[J]. 岩土力学, 2013, 34(2):475-482.
(XIONG Ju-hua, WANG Yuan, LIU Kan, et al. Effects of Tunneling on Vertical Bearing Behaviors of Adjacent Single Pile[J]. Rock and Soil Mechanics, 2013, 34(2): 475-482. (in Chinese))
[6]
张治国, 鲁明浩, 徐晨, 等. 基于Kerr地基模型的隧道开挖诱发桩基变形简化方法[J]. 现代隧道技术, 2016, 53(6): 55-66.
(ZHANG Zhi-guo, LU Ming-hao, XU Chen, et al. Simplified Solution for Tunnelling-induced Pile Foundation Deformation Based on the Kerr Foundation Model[J]. Modern Tunnelling Technology, 2016, 53(6): 55-66. (in Chinese))
[7]
刘辉. 考虑土体参数空间变异性的边坡二次可靠度分析方法研究[D]. 武汉: 华中科技大学, 2022.
(LIU Hui. Research on the Second-order Reliability Method of Slopes Considering the Spatial Variability of Soil Properties[D]. Wuhan: Huazhong University of Science and Technology, 2022. (in Chinese))
[8]
仉文岗, 孟凡胜, 何昌杰, 等. 岩溶区空间变异性边坡建筑荷载作用下稳定分析[J]. 防灾减灾工程学报, 2023, 43(2):316-323.
(ZHANG Wen-gang, MENG Fan-sheng, HE Chang-jie, et al. Stability Analysis of Slope with Spatial Variability in Karst Area under Building Load[J]. Journal of Disaster Prevention and Mitigation Engineering, 2023, 43(2):316-323. (in Chinese))
[9]
李松, 康黎明, 余斌, 等. 地震作用下顺层岩质边坡动力可靠度分析[J]. 建筑结构, 2021, 51(增刊2):1679-1683.
(LI Song, KANG Li-ming, YU Bin, et al. Dynamic Reliability Analysis of Bedding Rock Slopes under Earthquake Actions[J]. Building Structure, 2021, 51(Supp.2):1679-1683. (in Chinese))
[10]
LOGANATHAN N, POULOS H G. Analytical Prediction for Tunneling-induced Ground Movements inClays[J]. Journal of Geotechnical and Geoenvironmental Engineering, 1998, 124(9): 846-856.
[11]
魏纲, 朱德涵, 王哲, 等. 复合成层地层盾构隧道施工引起土体变形计算研究[J]. 岩土工程学报, 2024, 46(5): 919-926.
(WEI Gang, ZHU De-han, WANG Zhe, et al. Calculation of Soil Deformation Caused by Construction of Shield Tunnels in Composite Layered Strata[J]. Chinese Journal of Geotechnical Engineering, 2024, 46(5): 919-926. (in Chinese))
[12]
曹利强. 盾构掘进影响下复合成层地层及环境的力学响应及其控制[D]. 北京: 北京交通大学, 2020.
(CAO Li-qiang. Mechanical Responses and Safety Control of Composite Multi-layered Ground and Built Environment due to Shield Tunnelling in Urban Areas[D]. Beijing: Beijing Jiaotong University, 2020. (in Chinese))
[13]
COYLE H M, REESE L C. Load Transfer for Axially Loaded Piles inClay[J]. Journal of the Soil Mechanics and Foundations Division, 1966, 92(2): 1-26.
[14]
ZHANG R, ZHENG J, PU H, et al. Analysis of Excavation-induced Responses of Loaded Pile Foundations Considering Unloading Effect[J]. Tunnelling and Underground Space Technology, 2011, 26(2): 320-335.
[15]
FRANK R, ZHAO S. Estimation par les Parametres Pressiometriques de L’enfoncement sous Charge Axiale de Pieux Fores dans des Sols Fins[J]. Bull Liaison Lab Ponts Chauss, 1982, 119:17-24.
[16]
罗喆, 胡彪. 基于热力荷载传递原理的能量桩长期响应研究[J]. 防灾减灾工程学报, 2019, 39(4): 549-555, 563.
(LUO Zhe, HU Biao. Long-term Response of Energy Pile Based on Thermo-mechanical Load-transfer Principle[J]. Journal of Disaster Prevention and Mitigation Engineering, 2019, 39(4): 549-555, 563. (in Chinese))
[17]
CHENG C Y, DASARI G R, CHOW Y K, et al. Finite Element Analysis of Tunnel-Soil-Pile Interaction Using Displacement Controlled Model[J]. Tunnelling and Underground Space Technology, 2007, 22(4): 450-466.
[18]
HUANG M, MU L. Vertical Response of Pile Raft Foundations Subjected to Tunneling-induced Ground Movements in LayeredSoil[J]. International Journal for Numerical and Analytical Methods in Geomechanics, 2012, 36(8): 977-1001.
[19]
李镜培, 丁士君. 基于随机场理论的桩基沉降预测方法[J]. 建筑结构, 2003, 33(11): 30-31, 29.
(LI Jing-pei, DING Shi-jun. Prediction Method for the Settlement of Pile Foundation Based on the Random Field Theory[J]. Building Structure, 2003, 33(11): 30-31, 29. (in Chinese))
[20]
FENTON G A, GRIFFITHS D V. Risk Assessment in Geotechnical Engineering[M]. New York: John Wiley & Sons, Inc., 2008.
[21]
GRIFFITHS D V, FENTON G A. Probabilistic Slope Stability Analysis by Finite Elements[J]. Journal of Geotechnical and Geoenvironmental Engineering, 2004, 130(5): 507-518.
[22]
LUO Z, HU B. Probabilistic Design Model for Energy Piles Considering Soil SpatialVariability[J]. Computers and Geotechnics, 2019, 108: 308-318.
[23]
廖赵胜. 富水粉细砂地层中盾构施工渣土改良与掘进对临近构筑物的影响研究[D]. 南京: 东南大学, 2022.
(LIAO Zhao-sheng. Study on Soil Conditioning and Influence Applied to Construction by Shield Tunneling in Watery Silt Fine Sand Stratum[D]. Nanjing: Southeast University, 2022. (in Chinese))
PDF(6324 KB)

Accesses

Citation

Detail

Sections
Recommended

/

Baidu
map